东升国际

上海聚仁电力

继电器制造商
电力继电器研发与生产的企业

咨询服务热线139-6888-3630
继电器选型
东升国际> 技术文章>东升国际:中间继电器>东升国际:DZB-10CE型带保持中间继电器

联系东升国际

  • DZB-15CE/312保持中间继电器
  • 文章类别:东升国际:DZB-10CE型带保持中间继电器
  • 文章概述
  • 产品分类

    询价留言

    DZB-15CE/312概述
    DZB-10CE系列保持中间继电器具有自保持绕组,用于直流操作的继电保护回路中,以增加主保护继电器的触点数量和触点容量,并提高触点工作的可靠性。常规型号有DZB-11CE/312、DZB-12CE/600、DZB-13CE/312、DZB-14CE/312、DZB-15CE/312等。额定电压:220V、110V、48V、24V。
    DZB-15CE/312技术参数
    ●额定电压:220V、110V、48V、24V。
    ●额定电流:0.25A、0.5A、1A、2A、4A、8A。
    ●额定保持电压:220V、110V、48V、24V。
    ●额定保持电流:0.25A、0.5A、1A、2A、4A、8A。
    ●动作值:电压型继电器为30-70%的额定电压;电流型继电器不大于80%的额定值。
    ●保持值:保持电流不大于80%额定保持值;保持电压不大于70%额定保持值。
    ●返回值:不小于额定值的5%。
    ●动作时间:不大于45ms。
    ●返回时间:不大于45ms。
    ●功率消耗:电流保持绕组不大于4W;电流工作绕组与电压工作绕组不大于7W。
    ●触点容量:在电压不超过250V,电流不超过5A,时间常数为5±0.75ms的直流有感负荷电路中。
    ●输出触点长期允许接通电流为5A。
    ●介质强度:产品各导电端子连在一起,对外露的非带电金属部分或外壳之间,能承受2000V(有效值)50Hz的交流电压历时1分钟试验而无绝缘击穿或闪络现象。
    ●可靠动作:5×104次。
    ●输出触点长期允许接通电流为5A。
    ● 功率消耗:在额定电压下直流继电器不大于2.5W;交流继电器不大于5VA。
    DZB-15CE/312内部接线图

    DZB-15CE/312接线图

    DZB-15CE/312板前接线
    DZB-15CE/312板前接线安装尺寸图
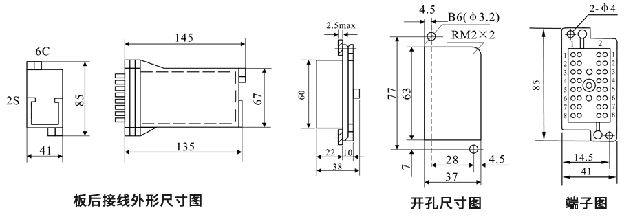
    DZB-15CE/312板后接线
    DZB-15CE/312板后接线安装尺寸图

    *主题:

    称呼:

    邮箱:

    公司:

    *电话:

    传真:

    备注:

    *验证码:

    var _hmt = _hmt || []; (function() { var hm = document.createElement("script"); hm.src = "https://hm.baidu.com/hm.js?25a8b6ddd6dc7b9a90aeb1f51e218aa6"; var s = document.getElementsByTagName("script")[0]; s.parentNode.insertBefore(hm, s); })(); U8.COM(U8国际)官方官网 long8-龙8(国际)头号玩家唯一官方网站 星空·体育综合APP下载官网版下载-星空·体育综合 金年会|金年会·jinnian(金字招牌)诚信至上 星空真人(中国游)有限公司世界杯官网