






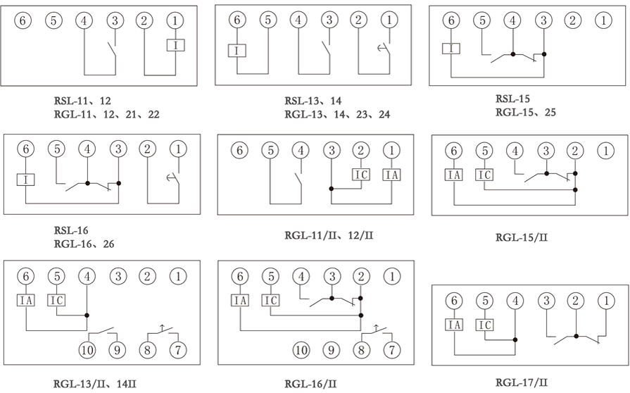
触点形式
1动合,1动合1信号,1转换,1转换1信号
额定电流
2~20A(无辅助电源),极差0.1A
速动倍速整定
2~9.9倍,极差0.1倍
速动延时整定
0~0.9S,极差0.1S
反时限曲线K值
0.01~9.99
安装方式
凸出式前接线、凸出式后接线

触点形式
1动合,1动合1信号,1转换,1转换1信号
额定电流
2~20A(无辅助电源),极差0.1A
速动倍速整定
2~9.9倍,极差0.1倍
速动延时整定
0~0.9S,极差0.1S
反时限曲线K值
0.01~9.99
安装方式
凸出式前接线、凸出式后接线



额定电压
AC/DC:110V、220V
触点形式
8转换触点,10转换触点
额定电压
AC/DC:110V、220V
交流电压动作值
小于额定电压80%
直流电压动作值
小于额定电压70%
安装方式
35mm导轨条安装
触点形式
2开2闭4转换
启动电流
0.25~5A通用
额定电压
AC/DC:110V、220V
辅助电源
交直流通用
触点容量
长期允许接通电流为5A(常规)
安装方式
35mm导轨条安装
联系电话
微信扫一扫
