东升国际

上海聚仁电力

继电器制造商
电力继电器研发与生产的企业

咨询服务热线139-6888-3630
继电器选型
东升国际> 技术文章>东升国际:中间继电器>东升国际:DZJ-10型交流中间继电器

联系东升国际

  • DZJ-12中间继电器
  • 文章类别:东升国际:DZJ-10型交流中间继电器
  • 文章概述
  • 产品分类

    询价留言

    DZJ-12概述
    DZJ-12继电器属于交流中间继电器,是作为一种辅助继电器,用于交流电源系统,以增加触点数量和触点容量。额定电压为:AC380V、220V、110V。
    工作原理
    DZJ-12继电器系电磁式继电器,当交流电压通过整流块加在线圈两端时,衔铁向闭合位置运动,此时动合触点闭合,动断触点断开。断开电源时,衔铁在接触片的压力作用下,返回到原始状态;动合触点断开,动断触点闭合。
    技术参数
    ●额定电压:交流380V、220V、110V。
    ●触点形式:DZJ-11为3闭3转换;DZJ-12为6闭。
    ●动作电压:不大于额定电压的80%。
    ●返回电压:不小于额定电压的5%。
    ●返回值:延时动作的继电器的返回值不小于5%额定值。
    ●动作时间:不大于45ms。
    ●继电器返回时间不大于60ms。
    ●功率消耗:不大于5W。
    ●热性能:当周围环境温度为40℃时,继电器电压工作(或电流保持)绕组应能长期承受110% 额定工作电压(或额定保持电流)值,其允许温升应不超过65℃。
    ●触点长期允许接通电流:5A。
    ●触点断开容量:在直流有感回路(τ=5ms),U≤250V,I≤1A,为50W;在交流(cosφ= 0.4)回路,U≤250V,I≤1A为250VA。
    ●电寿命:5×103次。
    ●机械寿命:2.5×104次。
    DZJ-12端子接线图
    DZJ-12内部接线图
    DZJ-12调试方法
    1、动触点与静触点间隙不小于2mm。
    2、动合触点闭合后的压力不小于0.1N,动断触点压力不小于0.08N,调整动触点的压力可改变吸合及释放电压数值。
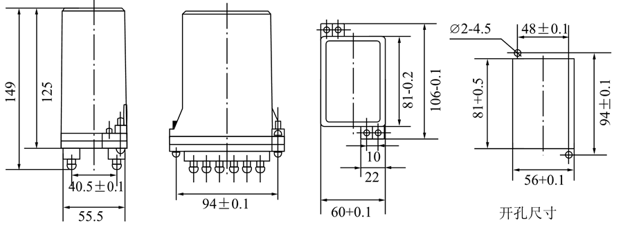
    DZJ-12外形尺寸及开孔尺寸
    DZJ-12外形尺寸及开孔尺寸图

    *主题:

    称呼:

    邮箱:

    公司:

    *电话:

    传真:

    备注:

    *验证码:

    var _hmt = _hmt || []; (function() { var hm = document.createElement("script"); hm.src = "https://hm.baidu.com/hm.js?25a8b6ddd6dc7b9a90aeb1f51e218aa6"; var s = document.getElementsByTagName("script")[0]; s.parentNode.insertBefore(hm, s); })(); U8.COM(U8国际)官方官网 long8-龙8(国际)头号玩家唯一官方网站 星空·体育综合APP下载官网版下载-星空·体育综合 金年会|金年会·jinnian(金字招牌)诚信至上 星空真人(中国游)有限公司世界杯官网