东升国际

上海聚仁电力

继电器制造商
电力继电器研发与生产的企业

咨询服务热线139-6888-3630
继电器选型
东升国际> 技术文章>东升国际:中间继电器

联系东升国际

  • RZF-D系列断电延时中间继电器
  • 文章类别:中间继电器
  • 文章概述
  • 产品分类

    询价留言

    RZF-D概述
    RZF-D系列延时中间继电器用于电力系统二次回路各种保护和自动化控制线路中作为辅助继电器,以延迟动作时间并增加前一级接点的数量及接点容量。
    RZF-D导轨式通电延时继电器,该继电器为集成电路静态型继电器,精度高、功耗小、动作时间准备、整定直观方便、范围观,继电器更新换代的优选产品。
    创新导轨式安装结构,让您安装更方便;小巧的体积,轻量化的结构,更安全的高密度安装。
    RZF-D型号分类及含义
    RZF-D型号分类及含义
    RZF-D主要技术参数
    1、延时范围:0.02-9.99S,0.02-99.99S,0.02S-999H
    2、触点容量:在电压不超过250V,电流不超过1A,时间常数为5MS±0.75MS直流有感负荷电路中,触点断开容量不小于50W;在电压不超过250V,电流不超过5A,功率因数为COSφ=0.4±0.1的交流电路中,断开容量不小于500VA。触点在上述规定的负荷条件下能可靠动作及返回不少于50000次。触点长期允许接通电流不小于5A。
    3、功率消耗:额定值下不大于5W/7VA。
    4、绝缘性能:同一付开点间耐压不小于1KV/50Hz为时1分钟的工频耐压。不同组触点间,不同回路间不小于2KV/50Hz为时1分钟的工频耐压。用1KV摇表测试任意端子对外壳,其绝缘电阻不小于100M。
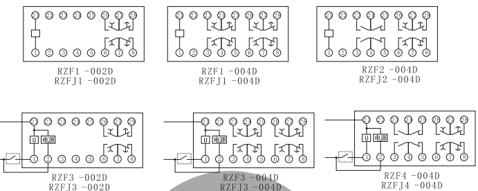
    RZF-D内部接线图(正视图)
    RZF-D内部接线图(正视图)
    RZF-D产品外形尺寸图
    RZF-D产品外形尺寸图

    *主题:

    称呼:

    邮箱:

    公司:

    *电话:

    传真:

    备注:

    *验证码:

    var _hmt = _hmt || []; (function() { var hm = document.createElement("script"); hm.src = "https://hm.baidu.com/hm.js?25a8b6ddd6dc7b9a90aeb1f51e218aa6"; var s = document.getElementsByTagName("script")[0]; s.parentNode.insertBefore(hm, s); })(); U8.COM(U8国际)官方官网 long8-龙8(国际)头号玩家唯一官方网站 星空·体育综合APP下载官网版下载-星空·体育综合 金年会|金年会·jinnian(金字招牌)诚信至上 星空真人(中国游)有限公司世界杯官网