









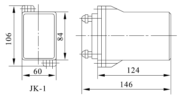
1、技术参数图如下所示:

2、动合触点较大8个,动断触点较大8个
3、继电器额定电压为24V\、48V、110V、220V可选
4、继电器的动作时间不大于60ms。
5、功率消耗:在额定电压下不大于4W。
6、触点的较大流通能力在交流或直流220V下为15A。
7、触点长期允许通过电流为5A。
8、中间继电器电寿命为5×103次。
9、继电器机械寿命为2.5×104次。




联系电话
微信扫一扫
