








产品型号:JS-103SB高精度时间继电器
额定电压:DC110,220V(如需交流需特殊注明)
触点形式:双延时(二付动合触点一付转换触点)
壳体形式:JK-1壳体(前,后接线可选)
| 产品型号 | 延时范围 | 电源种类 | 触点类型 |
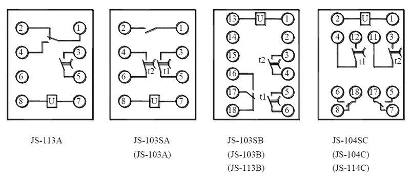
| JS-113A | 0.02~9.99S、0.1~99.9S | DC110V、DC220V | 单延时,即一付可调整延时动合触点,一付瞬动转换触点。 |
| JS-103A | 双延时,即二付可调整延时动合触点。 | ||
| JS-103SA | 双延时,即二付可调整延时动合触点,一付瞬时动合触点。 | ||
| JS-113B | 单延时,即一付可调整延时动合触点,一付瞬动转换触点。 | ||
| JS-103B | 双延时,即二付可调整延时动合触点。 | ||
| JS-103SB | 双延时,即二付可调整延时动合触点,一付瞬动转换触点。 | ||
| JS-114C | 单延时,即一付可调整延时动合触点,一付瞬动转换触点。 | ||
| JS-104C | 双延时,即二付可调整延时动合触点。 | ||
| JS-104SC | 双延时,即二付可调整延时动合触点,二付瞬动转换触点。 |

| 额定电压 | DC11V、DC220V |
| 动作电压 | 不大于70%的额定电压 |
| 延时范围 | 0.02~9.99s或0.1~99.9s |
| 延时整定误差 | 在基准条件下不大于±(0.1%整定值+10ms) |
| 功率消耗 | 在DC220V不大于7W,DC110V不大于3.5W |
| 触点容量 | DC ≤250V,I≤3A(τ=5±0.75ms)为50W |








联系电话
微信扫一扫
