









● 型号参数如下所示:

● 额定电压:AC 220V、110V、48V、24V、 DC 220V、110V、48V、24V。
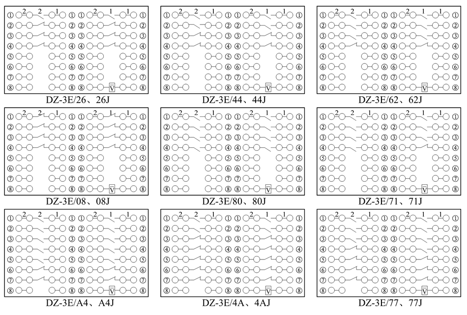
● 接点形式:8闭、6闭2开、4闭4开、2闭6开、8开、7闭1开、10闭4动 断、4闭10开、7闭7开。
● 动作值:直流继电器动作电压不大于70%额定电压、交流继电器动作电压不大于85%额定电压。
● 动作时间:不大于50ms。
● 功率消耗:不大于11W。
● 触点容量:在电压不超过250V,电流不超过5A,时间常数为5±0.75ms的直流有感负荷电路中,产品输出触点的断开容量为50W。
●输出触点长期允许接通电流为5A。
● 介质强度:产品各导电端子连在一起,对外露的非带电金属部分或外壳之间,能承受2000V(有效值)50Hz的交流电压 历时1分钟试验而无绝缘击穿或闪络现象。

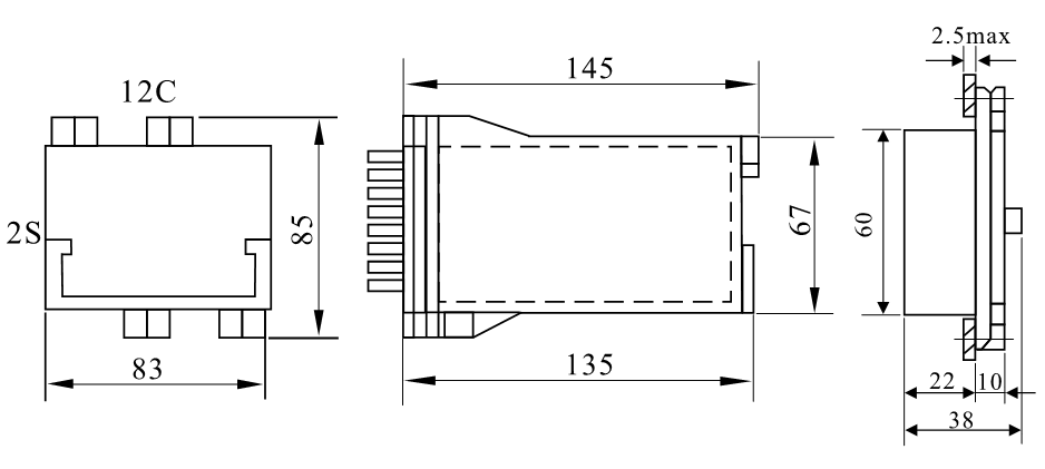
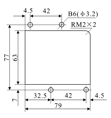
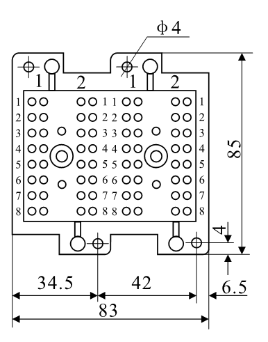
采用凸出式板后接线方式



联系电话
微信扫一扫
