







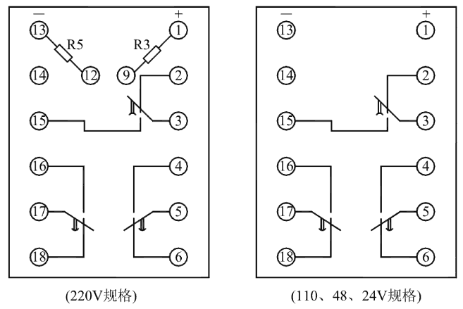
BS-12时间继电器由集成电路、电阻、电容及干簧继电器等元件组成。当继电器加入额定电压时J2经降压电阻R3、R5外附得到电压而动作,使其动断触点打开,此时电容器C1经电位器及电阻(R4、R1)而充电,随着充电时间的增长,7点电位将逐渐增高,当达到集成电路的驱动值时,从而使集成电路驱动干簧继电器J1并接通输出继电器J3,这样就使被控制的电路按一定的延时接通。继电器延时的调整是靠改变电位器R4来实现,其延时的获得是靠电容器充电来实现。

| 型号 | 延时范围 | 时间一致性 | 电源类型 | |
| BS-11 | 0.15~1.5S | 0.06S | AC/DC:24V、48V、110V、220V(直流220V应外附电阻) | |
| BS-12 | 1~5S | 0.12S | AC/DC:24V、48V、110V、220V(直流220V应外附电阻) | |
| BS-13 | 2~10S | 0.25S | AC/DC:24V、48V、110V、220V(直流220V应外附电阻) | |
| BS-14 | 4~20S | 0.5S | AC/DC:24V、48V、110V、220V(直流220V应外附电阻) | |









联系电话
微信扫一扫
