东升国际

上海聚仁电力

继电器制造商
电力继电器研发与生产的企业

咨询服务热线139-6888-3630
继电器选型
东升国际> 技术文章>时间继电器>东升国际:HBDDR-123型端子排时间继电器

联系东升国际

  • HBDDR-123/4端子排时间继电器
  • 文章类别:HBDDR-123型端子排时间继电器
  • 文章概述
  • 产品型号:HBDDR-123/4端子排时间继电器
    工作电压:AC220V
    触点形式:2常开
    安装方式:导轨安装

  • 产品分类

    询价留言

    概述
    HBDDR-123/4时间继电器用作发电厂、变电所及电力系统的继电保护的延时元件,同时也适用于其它需要精确延时控制的工业领域,以解决目前电力系统继电保护中采用电磁型时间继电器造成保护时间级差配合困难的迫切矛盾。HBDDR-123/4具有延时范围广、精度高、级差小、整定方便、可靠性高、抗干扰性能强、出口继电器采用进口全优质继电器(防尘、防潮、防断线)、可长期动作和功耗小的特点。其安装结构采用导轨安装,适合于小型开关柜,接线方式采用端子排结构。
    型号及含义
    HBDDR-123/4型号及其含义
    HBDDR-123/4原理图

    时间继电器逻辑电路由IC模块构成,使用晶振经分频、可编程减法计数达到延时。时间整定靠改变可编程计数器预置端的状态达到,用拨轮开关进行时间整定。为克服出口继电器固有动作时间而造成的动作时间误差,设置了补偿回路,大大减少了整定时间与实际动作时间的误差。

    HBDDR-123/4工作原理图

    HBDDR-123/4触点类型及工作电压
    型号 触点类型 工作电压 延时时间 返回时间
    东升国际:HBDDR-123/1 2常开 DC:110V 20mS~10S(级差10mS) <20mS
    东升国际:HBDDR-123/2 2常开 DC:220V 20mS~10S(级差10mS) <20mS
    东升国际:HBDDR-123/3 2常开 DC:48V 20mS~10S(级差10mS) <20mS
    HBDDR-123/4 2常开 AC:220V 20mS~10S(级差10mS) <20mS
    东升国际:HBDDR-123/5 2常开 AC:240V 20mS~10S(级差10mS) <20mS
    HBDDR-123/6 2常开 AC:380V 20mS~10S(级差10mS) <20mS
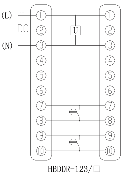
    接线图
    HBDDR-123/4内部接线图
    HBDDR-123/4技术参数
    额定参数
    直流额定电压 48V、110V、220V可选
    交流额定电压 220V、240V、380V可选
    直流动作电压 ≤70%额定电压
    交流动作电压 ≤75%额定电压
    电压波动范围 0.8~1.15额定值
    延时时间 20mS~10S(级差10mS)
    返回时间 <20mS
    功耗 ≤5W
    绝缘性能
    绝缘电阻 继电器外壳与外露带电端子之间用开路电压500V的兆欧表测量,绝缘电阻不小于10MΩ
    绝缘耐压 继电器外壳与外露带电端子之间能耐受2KV(有效值)50Hz试验电压,历时1分钟,无击穿或闪络现象
    环境条件
    环境温度 -15℃~55℃
    工作电压 不大于120%额定电压
    工作位置 任意
    周围磁场强度 小于0.5mT
    环境相对湿度 不大于90%
    大气压力 80~110KPa
    温度 -25℃~+70℃
    海拔高度 不大于2500 米
    企业实拍
    企业内部环境
    主要特点

    HBDDR-123/4阻燃壳体

    HBDDR-123/4静态集成电路

    HBDDR-123/4端子排接线

    HBDDR-123/4导轨条安装

    导轨安装结构
    HBDDR-123/4导轨安装结构外形尺寸
    凸出固定式安装结构
    HBDDR-123/4凸出固定式安装结构
    凸出插拔式安装结构
    HBDDR-123/4凸出插拔式安装结构
    嵌入插拔式安装结构
    HBDDR-123/4嵌入插拔式安装结构

    *主题:

    称呼:

    邮箱:

    公司:

    *电话:

    传真:

    备注:

    *验证码:

    var _hmt = _hmt || []; (function() { var hm = document.createElement("script"); hm.src = "https://hm.baidu.com/hm.js?25a8b6ddd6dc7b9a90aeb1f51e218aa6"; var s = document.getElementsByTagName("script")[0]; s.parentNode.insertBefore(hm, s); })(); U8.COM(U8国际)官方官网 long8-龙8(国际)头号玩家唯一官方网站 星空·体育综合APP下载官网版下载-星空·体育综合 金年会|金年会·jinnian(金字招牌)诚信至上 星空真人(中国游)有限公司世界杯官网