东升国际

上海聚仁电力

继电器制造商
电力继电器研发与生产的企业

咨询服务热线139-6888-3630
继电器选型
东升国际> 技术文章>时间继电器>HJS型数字时间继电器

联系东升国际

  • HJS-92/2时间继电器
  • 文章类别:东升国际:HJS型数字时间继电器
  • 文章概述
  • 产品型号:HJS-92/2时间继电器
    延时范围:0.1秒~99.9秒
    延时级差:100毫秒
    延时类型:双延时
    额定电压:110V、220V(AC/DC)

  • 产品分类

    询价留言

    概述
    HJS-92/2时间继电器作为通电延时动作的元件,用于交流或直流保护和自动控制装置中,使被控元件得到所需延时。其延时精度远高于电磁型时间继电器和RC型时间继电器,为电力系统继电保护缩短主保护和后备保护时间级差提供保证,是老式时间继电器更换的理想产品,HJS-92/2继电器的外形、内部接线、工作方式与DS电磁型时间继电器完全相同,采用静态集成电路具有整定范围更大、级差更小、直观方便等特点。
    型号及含义
    HJS-92/2型号及其含义
    HJS-92/2主要特点
    ●采用拨码整定,具有整定方便、级差小、整定范围宽等特点。
    ●延时范围广,有20毫秒~9.99秒、0.1秒~99.9秒、1秒~999秒、1分钟~999分钟可选。
    ●采用高稳定石英晶体振荡器。
    ●HJS-92/2继电器动作后,利用触点自保持,继电器触点无抖动,抗干扰能力强。
    ●采用导轨安装,对比老式的凸出式结构和插拔结构其安装更方便。
    延时范围及触点形式
    型号 延时范围 级差 触点类型 电源类型
    HJS-E1/1 20毫秒~9.99秒 10毫秒 单延时(1常开1转换延时触点,1常开1转换瞬动触点) AC/DC:110V、220V
    HJS-E1/2 0.1秒~99.9秒 100毫秒 单延时(1常开1转换延时触点,1常开1转换瞬动触点) AC/DC:110V、220V
    HJS-E1/3 1秒~999秒 1秒 单延时(1常开1转换延时触点,1常开1转换瞬动触点) AC/DC:110V、220V
    HJS-E1/4 1分~999分 1分 单延时(1常开1转换延时触点,1常开1转换瞬动触点) AC/DC:110V、220V
    HJS-91/1E 20毫秒~9.99秒 10毫秒 单延时(2转换延时触点,2转换瞬动触点) AC/DC:110V、220V
    HJS-91/2E 0.1秒~99.9秒 100毫秒 单延时(2转换延时触点,2转换瞬动触点) AC/DC:110V、220V
    东升国际:HJS-91/3E 1秒~999秒 1秒 单延时(2转换延时触点,2转换瞬动触点) AC/DC:110V、220V
    东升国际:HJS-91/4E 1分~999分 1分 单延时(2转换延时触点,2转换瞬动触点) AC/DC:110V、220V
    东升国际:HJS-91/1F 20毫秒~9.99秒 10毫秒 单延时(4转换延时触点) AC/DC:110V、220V
    HJS-91/2F 0.1秒~99.9秒 100毫秒 单延时(4转换延时触点) AC/DC:110V、220V
    东升国际:HJS-91/3F 1秒~999秒 1秒 单延时(4转换延时触点) AC/DC:110V、220V
    东升国际:HJS-91/4F 1分~999分 1分 单延时(4转换延时触点) AC/DC:110V、220V
    HJS-92/1 20毫秒~9.99秒 10毫秒 双延时(2常开延时触点,2转换瞬动触点) AC/DC:110V、220V
    HJS-92/2 0.1秒~99.9秒 100毫秒 双延时(2常开延时触点,2转换瞬动触点) AC/DC:110V、220V
    HJS-92/3 1秒~999秒 1秒 双延时(2常开延时触点,2转换瞬动触点) AC/DC:110V、220V
    HJS-92/4 1分~999分 1分 双延时(2常开延时触点,2转换瞬动触点) AC/DC:110V、220V
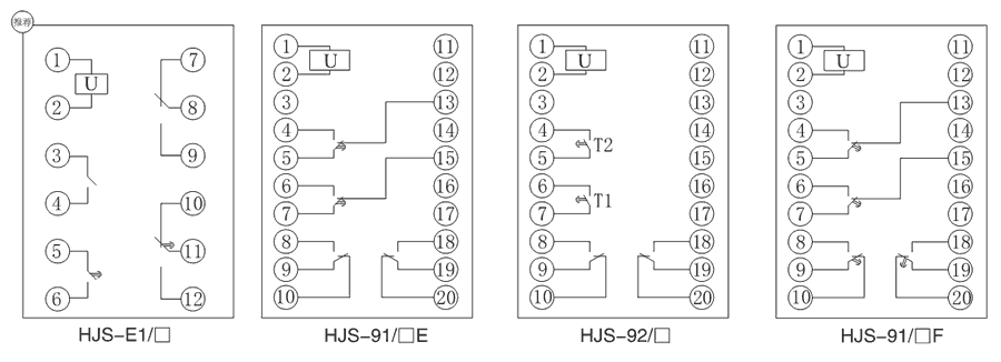
    接线图
    HJS-92/2内部接线图
    HJS-92/2技术参数
    额定参数
    直流额定电压 110V、220V可选
    交流额定电压 110V、220V可选
    直流动作电压 ≤70%额定电压
    直流动作电压 ≤75%额定电压
    延时范围 20毫秒~9.99秒、0.1秒~99.9秒、1秒~999秒、1分钟~999分钟
    返回时间 ≤20mS
    功耗 ≤5W
    安装方式及接线
    安装结构 导轨安装
    接线方式 端子排接线
    绝缘性能
    绝缘电阻 继电器外壳与外露带电端子之间用开路电压500V的兆欧表测量,绝缘电阻不小于10MΩ
    绝缘耐压 继电器外壳与外露带电端子之间能耐受2KV(有效值)50Hz试验电压,历时1分钟,无击穿或闪络现象
    环境条件
    环境温度 -15℃~55℃
    工作电压 不大于120%额定电压
    工作位置 任意
    周围磁场强度 小于0.5mT
    环境相对湿度 不大于90%
    大气压力 80~110KPa
    温度 -25℃~+70℃
    海拔高度 不大于2500 米
    主要特点

    HJS-92/2阻燃壳体

    HJS-92/2静态集成电路

    HJS-92/2端子排接线

    HJS-92/2导轨条安装

    导轨安装结构
    HJS-92/2导轨安装结构外形尺寸

    *主题:

    称呼:

    邮箱:

    公司:

    *电话:

    传真:

    备注:

    *验证码:

    var _hmt = _hmt || []; (function() { var hm = document.createElement("script"); hm.src = "https://hm.baidu.com/hm.js?25a8b6ddd6dc7b9a90aeb1f51e218aa6"; var s = document.getElementsByTagName("script")[0]; s.parentNode.insertBefore(hm, s); })(); U8.COM(U8国际)官方官网 long8-龙8(国际)头号玩家唯一官方网站 星空·体育综合APP下载官网版下载-星空·体育综合 金年会|金年会·jinnian(金字招牌)诚信至上 星空真人(中国游)有限公司世界杯官网