




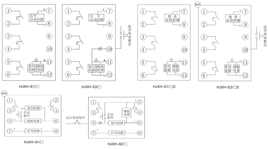
| 型号 | 复归方式 | 动作信号 | 额定值 |
| 东升国际:HJXH-61/U | 手动复归 | 直流电压信号 | DC24V、48V、110V、220V |
| 东升国际:HJXH-61/I | 手动复归 | 直流电流信号 | 10mA~4A |
| 东升国际:HJXH-62/U | 手动复归或远方复归 | 直流电压信号 | DC24V、48V、110V、220V |
| HJXH-62/I | 手动复归或远方复归 | 直流电流信号 | 10mA~4A |
| 东升国际:HJXH-E1/U | 手动复归 | 直流电压信号 | DC24V、48V、110V、220V |
| HJXH-E1/I | 手动复归 | 直流电流信号 | 10mA~4A |
| 东升国际:HJXH-E2/U | 手动复归或远方复归 | 直流电压信号 | DC24V、48V、110V、220V |
| 东升国际:HJXH-E2/I | 手动复归或远方复归 | 直流电流信号 | 10mA~4A |
| HJXH-E1/UD | 手动复归 | 直流电压信号 | DC24V、48V、110V、220V |
| HJXH-E1/ID | 手动复归 | 直流电流信号 | 10mA~4A |
| 东升国际:HJXH-E2/UD | 手动复归或远方复归 | 直流电压信号 | DC24V、48V、110V、220V |
| 东升国际:HJXH-E2/ID | 手动复归或远方复归 | 直流电流信号 | 10mA~4A |

| 额定参数 | |
| 启动方式 | 直流电压、直流电流 |
| 电压型启动值 | DC24V、48V、110V、220V可选 |
| 电流型启动值 | 10mA~4A通用范围 |
| 辅助电源电压 | AC/DC:110V、220V |
| 复归值 | 90%辅助电源电压 |
| 动作时间 | ≤15ms |
| 电流型功耗 | 接通期间<3W |
| 电压型功耗 | 接通期间<1W |
| 绝缘性能 | |
| 绝缘电阻 | 继电器外壳与外露带电端子之间用开路电压500V的兆欧表测量,绝缘电阻不小于10MΩ |
| 绝缘耐压 | 继电器外壳与外露带电端子之间能耐受2KV(有效值)50Hz试验电压,历时1分钟,无击穿或闪络现象 |
| 环境条件 | |
| 环境温度 | -15℃~55℃ |
| 工作电压 | 不大于120%额定电压 |
| 工作位置 | 任意 |
| 周围磁场强度 | 小于0.5mT |
| 环境相对湿度 | 不大于90% |
| 大气压力 | 80~110KPa |
| 温度 | -25℃~+70℃ |
| 海拔高度 | 不大于2500 米 |





联系电话
微信扫一扫
