东升国际

上海聚仁电力

继电器制造商
电力继电器研发与生产的企业

咨询服务热线139-6888-3630
继电器选型
东升国际> 技术文章>分合闸电源监视继电器>东升国际:HRTH型跳合位监视电源监控继电器

联系东升国际

  • HRTH-J-2H2D跳位、合位、电源监视继电器
  • 文章类别:东升国际:HRTH型跳合位监视电源监控继电器
  • 文章概述
  • 产品型号:HRTH-J-2H2D
    触点形式:2常开2常闭
    额定电流:4~6mA
    额定电压:AC48V、110V、220V

  • 产品分类

    询价留言

    概述
    HRTH-J-2H2D跳位、合位、电源监视继电器,用于开关合位监视、跳位监视、电源监视、断路器监视。具有工作电流小,能监视多种开关、断路器。适用干交流50Hz和60Hz。HRTH-J-2H2D分合位电源监视继电器的工作电压通用性强、返回系数高、功耗低、抗干扰性能好。
    主要技术参数
    HRTH-J-2H2D型号及其含义
    HRTH-J-2H2D触点形式及工作电压
    型号 触点形式 额定电压 额定电流
    东升国际:HRTH-Y-2H2D 2常开2常闭 DC:48V、110V、220V 4~6mA
    HRTH-J-2H2D 2常开2常闭 AC:48V、110V、220V 4~6mA
    东升国际:HRTH-Y-2Z 2转换 DC:48V、110V、220V 4~6mA
    HRTH-J-2Z 2转换 AC:48V、110V、220V 4~6mA
    HRTH-Y-2H2D-X-T 2常开2常闭 DC:48V、110V、220V 4~6mA
    东升国际:HRTH-J-2H2D-X-T 2常开2常闭 AC:48V、110V、220V 4~6mA
    东升国际:HRTH-Y-2Z-X-T 2转换 DC:48V、110V、220V 4~6mA
    东升国际:HRTH-J-2Z-X-T 2转换 AC:48V、110V、220V 4~6mA
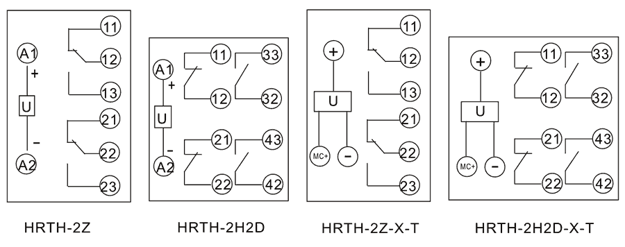
    接线图
    HRTH-J-2H2D内部接线图
    HRTH-J-2H2D技术参数
    额定参数
    直流额定电压 48V、110V、220V可选
    交流额定电压 48V、110V、220V可选
    直流动作电压 ≤70%额定电压
    交流动作电压 ≤80%额定电压
    动作时间 <20ms
    返回电压 ≤20%
    功耗 ≤10W
    绝缘性能
    绝缘电阻 继电器外壳与外露带电端子之间用开路电压500V的兆欧表测量,绝缘电阻不小于10MΩ
    绝缘耐压 继电器外壳与外露带电端子之间能耐受2KV(有效值)50Hz试验电压,历时1分钟,无击穿或闪络现象
    环境条件
    环境温度 -15℃~55℃
    工作电压 不大于120%额定电压
    工作位置 任意
    周围磁场强度 小于0.5mT
    环境相对湿度 不大于90%
    大气压力 80~110KPa
    温度 -25℃~+70℃
    海拔高度 不大于2500 米
    主要特点

    HRTH-J-2H2D阻燃壳体

    HRTH-J-2H2D静态集成电路

    HRTH-J-2H2D端子排接线

    HRTH-J-2H2D导轨条安装

    导轨安装结构
    HRTH-J-2H2D导轨安装结构外形尺寸

    *主题:

    称呼:

    邮箱:

    公司:

    *电话:

    传真:

    备注:

    *验证码:

    var _hmt = _hmt || []; (function() { var hm = document.createElement("script"); hm.src = "https://hm.baidu.com/hm.js?25a8b6ddd6dc7b9a90aeb1f51e218aa6"; var s = document.getElementsByTagName("script")[0]; s.parentNode.insertBefore(hm, s); })(); U8.COM(U8国际)官方官网 long8-龙8(国际)头号玩家唯一官方网站 星空·体育综合APP下载官网版下载-星空·体育综合 金年会|金年会·jinnian(金字招牌)诚信至上 星空真人(中国游)有限公司世界杯官网