产品中心




| 型号 | 启动类型 | 启动值 | 可替代型号 |
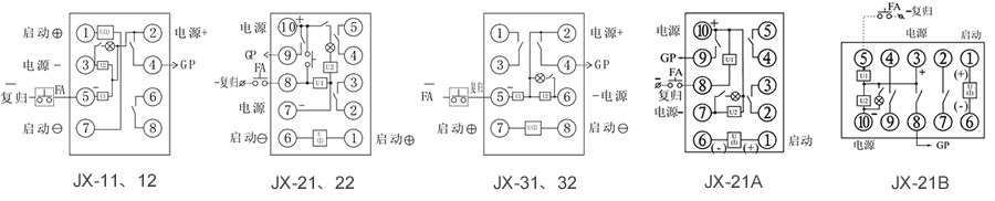
| JX-11 | 电压型 | DC48V、DC110V、DC220V | DX11、DX11A |
| JX-12 | 电流型 | 0.01A~2A | DX11、DX11A |
| JX-21 | 电压型 | DC48V、DC110V、DC220V | DX8 |
| JX-22 | 电流型 | 0.01A~2A | DX8 |
| JX-31 | 电压型 | DC48V、DC110V、DC220V | DX31A、DX31B |
| JX-32 | 电流型 | 0.01A~2A | DX31A、DX31B |
| JX-21A | 电压型 | DC48V、DC110V、DC220V | DX8 |
| JX-21B | 电压型 | DC48V、DC110V、DC220V | DX8 |

| 额定参数 | |
| 电压型启动值 | DC48V、110V、220V可选 |
| 电流型启动值 | 0.01A~2A |
| 功耗 | ≤5W |
| 绝缘性能 | |
| 绝缘电阻 | 继电器外壳与外露带电端子之间用开路电压500V的兆欧表测量,绝缘电阻不小于10MΩ |
| 绝缘耐压 | 继电器外壳与外露带电端子之间能耐受2KV(有效值)50Hz试验电压,历时1分钟,无击穿或闪络现象 |
| 环境条件 | |
| 环境温度 | -15℃~55℃ |
| 工作电压 | 不大于120%额定电压 |
| 工作位置 | 任意 |
| 周围磁场强度 | 小于0.5mT |
| 环境相对湿度 | 不大于90% |
| 大气压力 | 80~110KPa |
| 温度 | -25℃~+70℃ |
| 海拔高度 | 不大于2500 米 |





联系电话
微信扫一扫
